CERRADURA PICAPORTE UNIFICADO 134U

MARCA

TESA

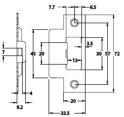
VALIDO PUERTAS PASO O DE CONDENA, CERRADERO REGULABLE MAX 4 MM, REVERSIBLE, DESBLOQUEO AUTOMATICO DE CONDENA, ENTRE EJES 47 MM, ENTRADA 50 MM, NUECA 8 MM, NUECA CONDENA 6 MM, FRENTE ESTRECHO 20 MM PARA PUERTAS SOLAPA
REF. EMBALAJE
134U50HL FRENTE RECTO, ACERO LATONADO 21017895 10
134U5RHL ENTRADA REDONDEADA 1/2 ACERO LATONADO 21017893 10
134US5RHL PICAPORTE SILENCIOSO ENTRADA REDONDEADA 1/2 ACERO LATONADO 21017894 10

Zaragoza central y tienda

Polígono Cogullada

Juan de la Cierva, 39
50014 Zaragoza
Tel. 976473359
Horario tienda Lunes a viernes de 7:30 a 14:00 y de 15:30 a 18:00 h Atencion al cliente lunes a viernes de 8:00 a 18:00 h Horario almacén carga Lunes a viernes de 8:00 a 13:00 h Horario almacén descarga Lunes a viernes de 8:00 a 13:00 h y de 15:00 a 18:00 h Horario del 23 y 31 de diciembre: 7:30 a 14:00 h Los días 26 de Diciembre y 2 de Enero permaneceremos cerrados por Navidad.

Zaragoza almacen regulador

Polígono industrial malpica-alfindén

Palmera, 10
50171 Zaragoza

Madrid - Oficina

Madrid este

Av. Miguel Hernández 114
28018 Madrid
Tel. 669779103
Aviso legal Política de privacidad Política de cookies